注意:访问本站需要Cookie和JavaScript支持!请设置您的浏览器! 打开购物车 查看留言付款方式联系我们
初中电子 单片机教材一 单片机教材二
搜索上次看见的商品或文章:
商品名、介绍 文章名、内容
首页 电子入门 学单片机 免费资源 下载中心 商品列表 象棋在线 在线绘图 加盟五一 加入收藏 设为首页
本站推荐:
用运放驱动的高性能功放
文章长度[1523] 加入时间[2006/7/1] 更新时间[2026/5/20 1:13:56] 级别[3] [评论] [收藏]

2003年,第11期,类别:音响技术


    本人设计了一款用运放驱动的简单实用功率放大器。传统运放驱动功放,因受运放电压的限制,功率难以做大。本功放采用电压转换电流方式直接驱动功放管进行功率放大,所以输出功率主要取决于末级功放管和功放电源,且扬声器无开/关机冲击声。全机没有加任何补偿电容,原汁原味,移相小。由于采用运放作恒流放大,所以很方便更换不同性能的运放,音色有更多的选择。
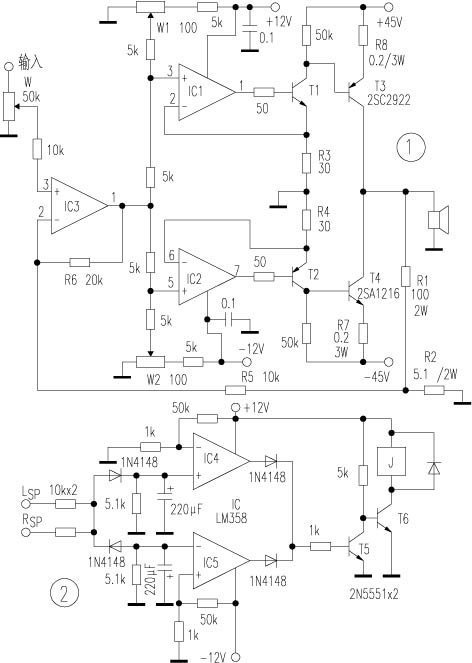
    电路如图1,IC1与T1、IC2与T2分别组成电流负反馈吸收式恒流源,分别负责音频信号正半周与负半周的电压、电流转换放大,使T3、T4基极电流只受IC1、IC2输入电压控制,也就是说,只要运放输入为一恒压值,末级管T3、T4集电极流过电流也为一恒定值。W1、W2(多圈电位器)分别用来调整T3、T4静态电流与输出零点,IC3与R1、R2、R5组成准电流负反馈电路,只要相应改变R3、R4或R2、R6阻值,就能改变增益大小。该功放保护电路(图2)采取切断总电源方式,优点是当功放发生故障时,不仅保护了扬声器,同时还保护了末级管。工作原理是:当接通电源时,T6得电导通,J吸合自保,电源维持接通状态。当功放输出零点直流成分大于±0.24V时,IC4或IC5输出一高电平,因而T5饱和导通,T6截止,继电器J释放,切断了总电源,从而实现对扬声器和功放管的保护功能。
    本机调试较简单,先把W1、W2调至最小位置,然后缓慢调节W1、W2使R8、R7上压降为40mV(200mA)。测量输出点,再微调W1或W2使输出点电压控制在5mV以下。然后预热半小时后,再重调一下,即可接入音箱试音。主观评价,该功放信噪比高,低音丰满,有弹性,高音纤细流畅。
    运放采用NE5532或AD827等双运放,T1、T2选中功率管2SB647、2SD667等,末级功放管可选用三肯对管2SC2922、2SA1216或2SC3281、2SA1302等音频对管,电阻用1/4W金属膜电阻。

                                                                         江西  李国辉



 

1、 本站不保证以上观点正确,就算是本站原创作品,本站也不保证内容正确。
2、如果您拥有本文版权,并且不想在本站转载,请书面通知本站立即删除并且向您公开道歉! 以上可能是本站收集或者转载的文章,本站可能没有文章中的元件或产品,如果您需要类似的商品请 点这里查看商品列表!
本站协议 | 版权信息 |  关于我们 |  本站地图 |  营业执照 |  发票说明 |  付款方式 |  联系方式
深圳市宝安区西乡五壹电子商行——粤ICP备16073394号-1;地址:深圳西乡河西四坊183号;邮编:518102
E-mail:51dz$163.com($改为@);Tel:(0755)27947428
工作时间:9:30-12:00和13:30-17:30和18:30-20:30,无人接听时可以再打手机13537585389