注意:访问本站需要Cookie和JavaScript支持!请设置您的浏览器! 打开购物车 查看留言付款方式联系我们
初中电子 单片机教材一 单片机教材二
搜索上次看见的商品或文章:
商品名、介绍 文章名、内容
首页 电子入门 学单片机 免费资源 下载中心 商品列表 象棋在线 在线绘图 加盟五一 加入收藏 设为首页
本站推荐:
一种抢答器制作结果
文章长度[666] 加入时间[2006/7/1] 更新时间[2026/5/19 20:46:07] 级别[3] [评论] [收藏]

2003年,第1期,类别:电子制作


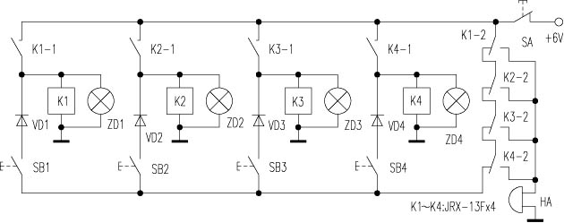
    学校需要一台抢答器,查找发现××刊物上有一则由继电器构成的抢答器电路。电路见图,原理如下:
    假设第二组先按下了抢答按钮SB2,则继电器K2吸合,灯ZD2亮。K2的常开接点K2-1闭合,使K2的吸合自保持;转换接点K2-2转换位置,使讯响器HA发声,同时切断其余继电器电源,使其余抢答按钮不起作用。ZD2持续亮,指示第二组抢答成功。
    该抢答器电路简单,元件易购,原理清晰,还可扩展,于是发动电子技术兴趣小组的同学装了一台。装成一试,继电器吸合根本不保持。查焊接情况未见有误,对于继电器,我们用的是JZC-7FA(6V),与电路标注不一致。是继电器有问题吗?总之,该抢答器如按下抢答按钮不放,其继电器的“嗒嗒”声便不绝于耳,但不能吸合。令人百思不得其解。

                                     江苏  金化  
    编者:你认为问题出在哪里?



1、 本站不保证以上观点正确,就算是本站原创作品,本站也不保证内容正确。
2、如果您拥有本文版权,并且不想在本站转载,请书面通知本站立即删除并且向您公开道歉! 以上可能是本站收集或者转载的文章,本站可能没有文章中的元件或产品,如果您需要类似的商品请 点这里查看商品列表!
本站协议 | 版权信息 |  关于我们 |  本站地图 |  营业执照 |  发票说明 |  付款方式 |  联系方式
深圳市宝安区西乡五壹电子商行——粤ICP备16073394号-1;地址:深圳西乡河西四坊183号;邮编:518102
E-mail:51dz$163.com($改为@);Tel:(0755)27947428
工作时间:9:30-12:00和13:30-17:30和18:30-20:30,无人接听时可以再打手机13537585389