注意:访问本站需要Cookie和JavaScript支持!请设置您的浏览器! 打开购物车 查看留言付款方式联系我们
初中电子 单片机教材一 单片机教材二
搜索上次看见的商品或文章:
商品名、介绍 文章名、内容
首页 电子入门 学单片机 免费资源 下载中心 商品列表 象棋在线 在线绘图 加盟五一 加入收藏 设为首页
本站推荐:
新型调频发射芯片MAX2606
文章长度[1211] 加入时间[2006/7/1] 更新时间[2026/5/21 9:09:37] 级别[3] [评论] [收藏]


2003年,第1期,类别:电子产品与器件


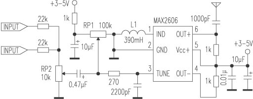
    MAX2606是新型调频发射芯片,内部集成了变容二极管的压控振荡器,只需要外接少量的元件就能组成一台高品质调频发射机。
    MAX2606采用SOT230-6微型封装,应用电路如图所示,它的平均频率由L1设置,390nH的电感可将中心频率设定在100MHz。调节电位器RP1则可以在88至108MHz的FM波段选择一个频道作为发射输出功率。输出功率对50Ω的天线约为-21dB。
    图中的两个INPUT端接在功放机左右线路(LINE)输出端,左右声道音频信号均通过22kΩ相加,并被电位器RP1衰减后,由①脚送入MAX2606的内部振荡电路,经过调制后的射频信号从⑥脚输出到发射天线,由于输入信号幅度高于60mV时将产生失真,因此使用电位器RP2将信号衰减到该电平以下。
    发射天线可以用一段75cm的电线充当。此时发射距离约为50米。为保证最佳接收效果,它最好与接收天线平行安装。
    MAX2606可工作于3至5V的单电源,但最好采用稳定的电压,尤其是0.01μF的退耦电容不能省略,以减少频率漂移和噪声。

                                                                           河南  禾木



1、 本站不保证以上观点正确,就算是本站原创作品,本站也不保证内容正确。
2、如果您拥有本文版权,并且不想在本站转载,请书面通知本站立即删除并且向您公开道歉! 以上可能是本站收集或者转载的文章,本站可能没有文章中的元件或产品,如果您需要类似的商品请 点这里查看商品列表!
本站协议 | 版权信息 |  关于我们 |  本站地图 |  营业执照 |  发票说明 |  付款方式 |  联系方式
深圳市宝安区西乡五壹电子商行——粤ICP备16073394号-1;地址:深圳西乡河西四坊183号;邮编:518102
E-mail:51dz$163.com($改为@);Tel:(0755)27947428
工作时间:9:30-12:00和13:30-17:30和18:30-20:30,无人接听时可以再打手机13537585389