注意:访问本站需要Cookie和JavaScript支持!请设置您的浏览器! 打开购物车 查看留言付款方式联系我们
初中电子 单片机教材一 单片机教材二
搜索上次看见的商品或文章:
商品名、介绍 文章名、内容
首页 电子入门 学单片机 免费资源 下载中心 商品列表 象棋在线 在线绘图 加盟五一 加入收藏 设为首页
本站推荐:
直流电机控制电路专辑
文章长度[13712] 加入时间[2007/1/4] 更新时间[2026/5/20 22:34:18] 级别[0] [评论] [收藏]

按:直流电机在家用电器、电子仪器设备、电子玩具、录相机及各种自动控制中都有广泛的应用。但对它的使用和控制,很多读者还不熟悉,而且其技术资料亦难于查找。直流电机控制电路集锦,将使读者“得来全不费功夫”!   在现代电子产品中,自动控制系统,电子仪器设备、家用电器、电子玩具等等方面,直流电机都得到了广泛的应用。大家熟悉的录音机、电唱机、录相机、电子计算机等,都不能缺少直流电机。所以直流电机的控制是一门很实用的技术。本文将详细介绍各种直流电机的控制技术。
  站长的几句说明:本文内容比较详实完整,但遗憾的是原稿的印刷质量和绘图的确很差,尽管采取了很多措施,有些图仍可能看不太清楚。
  直流电机,大体上可分为四类:
  第一类为有几相绕组的步进电机。这些步进电机,外加适当的序列脉冲,可使主轴转动一个精密的角度(通常在1.8°--7.5°之间)。只要施加合适的脉冲序列,电机可以按照人们的预定的速度或方向进行连续的转动。
  步进电机用微处理器或专用步进电机驱动集成电路,很容易实现控制。例如常用的SAAl027或SAAl024专用步进电机控制电路。

  步进电机广泛用于需要角度转动精确计量的地方。例如:机器人手臂的运动,高级字轮的字符选择,计算机驱动器的磁头控制,打印机的字头控制等,都要用到步进电机。
  第二类为永磁式换流器直流电机,它的设计很简单,但使用极为广泛。当外加额定直流电压时,转速几乎相等。这类电机用于录音机、录相机、唱机或激光唱机等固定转速的机器或设备中。也用于变速范围很宽的驱动装置,例如:小型电钻、模型火车、电子玩具等。在这些应用中,它借助于电子控制电路的作用,使电机功能大大加强。
  第三类是所谓的伺服电机,伺服电机是自动装置中的执行元件,它的最大特点是可控。在有控制信号时,伺服电机就转动,且转速大小正比于控制电压的大小,除去控制信号电压后,伺服电机就立即停止转动。伺服电机应用甚广,几乎所有的自动控制系统中都需要用到。例如测速电机,它的输出正比于电机的速度;或者齿轮盒驱动电位器机构,它的输出正比于电位器移动的位置.当这类电机与适当的功率控制反馈环配合时,它的速度可以与外部振荡器频率精确锁定,或与外部位移控制旋钮进行锁定。
  唱机或激光唱机的转盘常用伺服电机。天线转动系统,遥控模型飞机和舰船也都要用到伺服电机。
  最后一类为两相低电压交流电机。这类电机通常是直流电源供给一个低频振荡器,然后再用低频低压的交流去驱动电机。这类电机偶尔也用在转盘驱动机构中。

步进电机有两种基本的形式:可变磁阻型和混和型。步进电机的基本工作原理,结合图1的结构示意图进行叙述。

  图1是一种四相可变磁阻型的步进电机结构示意图。这种电机定子上有八个凸齿,每一个齿上有一个线圈。线圈绕组的连接方式,是对称齿上的两个线圈进行反相连接,如图中所示。八个齿构成四对,所以称为四相步进电机。
  它的工作过程是这样的:当有一相绕组被激励时,磁通从正相齿,经过软铁芯的转子,并以最短的路径流向负相齿,而其他六个凸齿并无磁通。为使磁通路径最短,在磁场力的作用下,转子被强迫移动,使最近的一对齿与被激励的一相对准。在图1(a)中A相是被激励,转子上大箭头所指向的那个齿,与正向的A齿对准。从这个位置再对B相进行激励,如图1中的(b),转子向反时针转过15°。若是D相被激励,如图1中的(c),则转子为顺时针转过15°。下一步是C相被激励。因为C相有两种可能性:A—B—C—D或A—D—C—B。一种为反时针转动;另一种为顺时针转动。但每步都使转子转动15°。电机步长(步距角)是步进电机的主要性能指标之一,不同的应用场合,对步长大小的要求不同。改变控制绕组数(相数)或极数(转子齿数),可以改变步长的大小。它们之间的相互关系,可由下式计算:
  Lθ=360 P×N   
式中:Lθ为步长;P为相数;N为转子齿数。在图1中,步长为15°,表示电机转一圈需要24步。
  混和步进电机的工作原理
  在实际应用中,最流行的还是混和型的步进电机。但工作原理与图1所示的可变磁阻型同步电机相同。但结构上稍有不同。例如它的转子嵌有永磁铁。激励磁通平行于X轴。一般来说,这类电机具有四相绕组,有八个独立的引线终端,如图2a所示。或者接成两个三端形式,如图2b所示。每相用双极性晶体管驱动,并且连接的极性要正确。

  图3所示的电路为四相混和型步进电机晶体管驱动电路的基本方式。它的驱动电压是固定的。表1列出了全部步进开关的逻辑时序。

  值得注意的是,电机步进为1—2—3—4的顺序。在同一时间,有两相被激励。但是1相和2相,3相和4相绝对不能同时激励。
  四相混和型步进电机,有一特点很有用处。它可以用半步方式驱动。就是说,在某一时间,步进角仅前进一半。用单个混合或用双向开关即可实现,这种逻辑时序由表2列出。
  四相混和型步进电机,也能工作于比额定电压高的情况。这可以用串联电阻进行降压。因为1相和2相,3相和4相是不会同时工作的,所以每对仅一个降压电阻,串接在图3中的X和Y点之间。因此额定电压为6V的步进电机,就可以工作在12V的电源下。这时需串一个6W、6Ω的电阻。

四相步进电机可用几种专用的集成电路驱动器,SAAl027是其中常用的一种,它的特点是工作电压范围宽9.5V~18V;输出驱动电流大,可达500mA。它适合作四相全步步进电机的控制。图4是SAAl027的外形和引脚功能图。图5(下面↓)是它的内部原理方块图及基本应用。


  实际上,集成电路有三路缓冲输入,每一个缓冲输入都控制一个二位(四状态)的同步可逆计数器。它的输出送到一个编码变换器。然后用四路输出,去控制输出级的四个晶体管。输出级以集电极开路方式工作。电机的绕组线圈串入集电极。为防止反向电动势损坏晶体管,在绕组的两端并联一反向二极管。
  要特别注意的是:集成电路13脚和12脚是流过大电流的引脚。而14脚和5脚流过小电流。在使用时5脚和12脚都要接地。通常正12V直接接到13脚,然后经R1—C1去耦电路接到14脚。正电压也必须经Rx送到4脚。Rx的作用是决定四个晶体管的最大输出驱动电流的容量。Rx的大小可由下式计算;
  Rx=(4E/I)-6
式中E为电源电压,I为所希望的电机最大相电流。当用12V时,Rx值取420Ω、180Ω或78Ω)时,最大输出电流分别为100mA、200mA、或350mA。
  SAA1027集成电路有三个输入控制端:计数、方式和复位。复位端通常是高电平。计数器每次从低电平到高电平的跳变,将使集成电路改变状态。全部的
工作状态已由表3列出。


  在任何时候,每隔四步时序重复一次。但是复位端为低电平时,可以复位到起始状态。
  当方式控制输入端为低电平时,在一个方向上(通常为顺时针转动)顺序重复。反之,方式控制端为高电平时,则在另一个方向上(反时针转动)顺序重复。
  图6是SAAl027的驱动和试验电路。

  这个电路用于混和型四相步进电机,额定电流可达300mA。电机可用SW3进行手工的单步试验,或者用SW2经555/7555无稳振荡器进行自动步进的试验。SW4可控制电机的方向。SW5用于复位控制试验。
  用SW1和RV1电位器,可使无稳电路的工作速度能在很宽的范围内变化。置位1档时为低速控制,频率范围从5Hz—68Hz。SW2在2当和3档时,振荡频率分别为第1档的10倍和100倍。总的速度控制范围从6—8500转/分。
  图6是一种基本电路。根据不同的使用场合,还有几种变化。
  图7是一种步进电机与微处理器的接口电路。
  计算机或微处理器的输出端口,通常终端驱动电压低于1V时,作为逻辑0状态;而高于3.5V时,作为逻辑1状态。这种逻辑称为正逻辑。不过图7中电路与上述相反。因此,步进电机输入端从高电平向低电平转换时,工作状态改变。复位端用高电平复位。方式输入端为低电平时,电机正转;而高电平时,电机反转。
  图6电路设计最大输出电流为300mA。
  如果希望把电流扩展5A,则采用图8中的两个电路。步进电机的每相都需要外加驱动电路,一个四相步进电机,需要增加四个这样的附加电路。图8(a))的电路用于驱动电路,一个四相步进电机,需要增加四个这样的附加电路。图8(a)的电路用于驱动四个完全独立的绕组。图8(b)的电路用于绕组具有公共点步进电机。D1和D2的作用是防止电机的反电动势损坏输出级晶体管。

永磁式换向器直流电机,是应用很广泛的一种。只要在它上面加适当电压。电机就转动。图9是这种电机的符号和简化等效电路。
  工作原理

  这种电机由定子、转子、换向器(又称整流子)、电刷等组成,定子用作产生磁场。转于是在定子磁场作用下,得到转矩而旋转起来。换向器及时改变了电流方向,使转子能连续旋转下去。也就是说,直流电压加在电刷上,经换向器加到转子线圈,流过电流而产生磁场,这磁场与定子的固定磁场作用,转子被强迫转动起来。当它转动时,由于磁场的相互作用,也将产生反电动势,它的大小正比于转子的速度,方向和所加的直流电压相反。图9(b)给出了等效电路。Rw代表转子绕组的总电阻,E代表与速度相关的反电动势。
  永磁式换流器电机的特点
  .当电机负载固定时,电机转速正比于所加的电源电压。
  .当电机直流电源固定时,电机的工作电流正比于转予负载的大小。

  .加于电机的有效电压,等于外加直流电压减去反电动势。因此当用固定电压驱动电机时,电机的速度趋向于自稳定。因为负载增加时,转子有慢下来的倾向,于是反电动势减少,而使有效电压增加,反过来又将使转子有快起来的倾向,所以总的效果使速度稳定。
  .当转子静止时,反电动势为零,电机电流最大。其最大值等于V/Rw(这儿V是电源电压)。最大.电流出现在刚起动的条件。
  .转子转动的方向,可由电机上所加电压的极性来控制。
  .体积小,重量轻。起动转矩大。
  由于具备上述的那些特点,所以在医疗器械、小型机床、电子仪器、计算机、气象探空仪、探矿测井、电动工具、家用电器及电子玩具等各个方面,都得到广泛的应用。
  对这种永磁式电机的控制,主要有电机的起停控制、方向控制、可变速度控制和速度的稳定控制。
  1、电机的起/停控制
  电机的起/停控制,最简单最原始的方法是在电机与电源之间,加一机械开关。或者用继电器的触点控制。大家都比较熟悉,故不举例。
  现在比较流行的方法,是用开关晶体管来代替机械开关,无触点、无火花干扰,速度快。电路如图10(a)所示。当输入端为低电平时,开关晶体管Q1截止,电机无电流而处于停止状态。如果输入端为高电平时,Q1饱和导通,电机中有电流,因此电机起动运转。图中二极管D1和D2是保护二极管,防止反电动势损坏晶体管。电容C1是消除射频干扰而外加的。R1基极限流电阻,限制Q1的基极电流。在6V电源时,基极电流不超过52mA。在这种情况下,Q1提供电机的最大电流为1A左右。

  图10(a)的电路,因基极电流需外部驱动电路。如果再增加一级缓冲放大,如图10(b)的电路,驱动电流减少到2mA。R3限制Q1的基极电流到安全值。其他元件作用与(a)图中相同。
  2、电机的方向控制
  水磁式换流器电机的转动方向,可以用改变电源极性的方法,使电机反转。如果用正、负双极性电源,可用一个单刀进行转换,如图11(a)所示。因为电机的电流直接通过开关,容易烧坏开关接点。所以可以改用功率开关晶体管来代替机械开关,就可以克服上述缺点。电路如图11(b)所示。

  电路工作原理:当开关SW1置于“正转”位时,Q1和Q3的基极加上偏流;Q2和Q4的偏置电路被断开。所以Q1和Q3导通,Q2和Q4截止。电流从V+→Q3发射极→Q3集电极→电机正端→电机负端→地形成回路,此时电机正转。同理,如果SW1置于“反转’位置时,Q2和Q4得到偏流而导通;01和Q3截止。电流从电源地端→电机负端→电机正端→Q4集电极→Q4发射极→电源负端形成回路,故电机电源与上述情况相反,因此电机反转。而SW1置于断时,电机停止转动。
  图11(b)电路中SW1要转接正、负电源。在接口电路的应用中,用电子开关来代替SW1就比较困难。为了克服这个缺点,可用图11(c)的电路加以改进。图11(c)中的SW1就很容易用电子开关来代替。在这个电路中,SW1置于“正转”位置时,Q1和Q3导通,Q2和Q4截止。SW1置于“反转”位置时,Q2和Q4导通,Q1和Q3截止。
  3、单极性电源的方向控制
  如果电源为单极性,那么控制方向的开关就要双刀三掷。如图12(a)所示。不过用晶体管连接为桥式电路,也是最基本和最通用的形式。电路如图12(b)所示。

  从电路中可以看出,当SW1置于“正转”位置时,Q1和Q4导通,Q2和Q3截止。当SW1置于“反转”位置时,Q2和Q3导通,Q1和Q4截止。二极管D1—D4是保护电路,防止电机反电动势可能损坏晶体管。
  图12(c)为图12(b)的改进电路。它使SW1只控制正转/反转,而SW2只控制电机的起停。用简图指出了电路中的关键点。Q1或Q2总有一个是接通的,Q3或Q4是起通/断作用。当电路被断开时,电机电流经Q1—D2或Q2—D1环路迅速减少,这是所谓的“飞轮效应”。如果SW2用脉冲调制的电子开关代替的话,就是需要这种“飞轮效应”。电机的速度可用脉宽控制。这种技术在本文后面将叙述。

  图12(b)的电路,需要大的驱动电流。如果需要更灵敏的控制电路,可以采用图13(a)的方案。在这个电路中,A、B、C和D的四个输入端,只需要几毫安的驱动电流。这个电路也可以像图13(b)那样,用人工进行控制。图中用CMOS集成电路CD4052B,作双刀四路双向开关。逻辑电平“0”或逻辑电平“1”加到A或B的输入端。正转/反转,起动/
停止是相互独立的。这个电路也具有“飞轮效应”。图13(a)和图]3(c)的电路工作的逻辑真值表如表4列出。
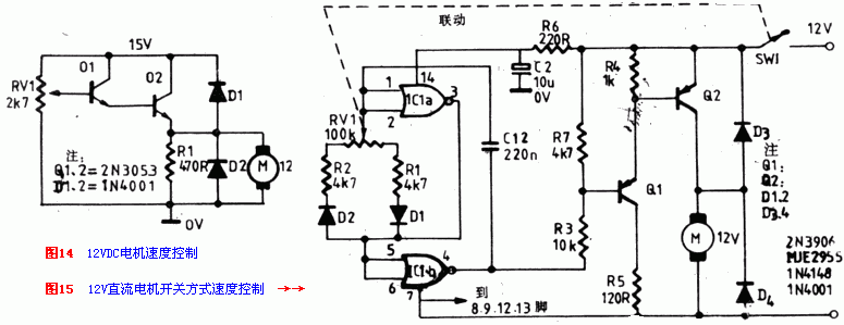
  4、电机的速度控制
  直流电机的转速与所加的电压有效值成正比。图14是12V直流电机的可变电压速度控制。图中Q1和Q2是复合管射极跟随器,电机的直流电压可从0V变到12v。这种电路的特点是:在中速和高速时,速度的控制和自动调节的性能很好。但是低速和慢启动特性比较差。
  用开关方式或脉宽调制,可以获得非常好的速度控制性能。电路图如15所示。

  图中IC1作为50Hz的无稳多谐振荡器,它产生一个矩形波输出,占空比可变从20比1到1比20,由RV1进行调节。这个波形经过Q1和Q2送到电机,电机上的电压有效值是随RV1的调节而变化的(总的周期是50HZ)。不过电机上所加上的电压,是具有峰值电压为12V的功率脉冲。因此在整个调速范围内;性能都非常好。即使在很低的速度,转矩也很大。速度控制的程度,正比于所加电压的有效值。
  5、模型火车速度控制器

  图16所示的电路是具有自动短路保护的模型火车速度控制器。电源用12V,最大输出电流为1.5A。如果轨道上出现短路时,控制单元上张有短路探测器和保护电路,自动将输出电流限制在100mA(有效值)
  这个电路的工作原理如下:
  交流电源经变压器T1降压后,经BR1进行全波桥式整流,得到一个未滤波的直流电压。通过一个串联的单向可控硅(SCR1)与方向控制开关SW3,将整流电压加在电机上。
  在整流输出直流的每个开始的半周,可控硅(SCR)是断开的。直流电压经R4和ZD1稳压后,加到双基极二极管(UJT)Q1及相关的定时电路C1和RV1上。当C1上的电压超过UJT发射极的门限值时,触发可控硅,使SCR1饱和导通。而另一半周期SCR1关断复位。电机的电源是经SCR1阴极、R2和R3、SW3而得到。未经滤波原整流后的频率为电源频率的二倍。电机通电时间的长短,受电位器RV1控制。所以模型火车的速度能在很宽的范围内变化。
  还要提醒一下,输出电流流过了并联电阻R2和R3,电阻上的电压正比于电流。该电压经过一个峰值检波电路D1和C2,检波后妁直流电压馈送到Q2的基极。当输出电流的峰值超过1.5A或输出短路时, 由于C2的电压储能作用,使R8和R9的分压、正好能使Q2导通,将Q1的定时电路短路,停止几个半周不触发SCR1。如果出现短路情况,由电路内部电阻限流在几安的峰值电流,每15个半周触发一次SCR1,使输出电流的有效值限制在100mA,这就保护了电路的安全。
  6、自动轨道清洁机

  图17是典型的铁路轨道清洁机的电路原理图。电源部份与图16的整流部份相同。有了自动轨道清洁机,就可以保持模型火车与轨道之间有良好的电接触。因为车轮与轨道之间,容易被脏物或氧化造成接触障碍。这个问题的解决是经过一个高频高压小功率的信号发生器,把控制信号送至轨道,如果道轨上存在污物或氧化的危害时,将使其信号中断,高压发生器便工作。结合图17叙述其工作原理。
  电路的振荡频率大约为100KHz,由变压器T1的电感与C2的容量而定。C4是抵销不希望的轨道效应的分布电容。在T1的次级,峰值电压有几佰伏,但为高阻抗。如果负载是低阻抗时,振荡器就停止振荡不产生高压。

  变压器T1次级用粗漆包铜线绕制,通过火车控制信号送到道轨。当火车电机与道轨的电接触为低阻抗时,振荡停止。只有火车的控制信号送到轨道。然而,如果接触被污物中断,车轮与道轨的接触变成高阻抗;这时高压发生器迅速工作。建立起良好的电接触。排除了中断的障碍。当轨道清洁机有效时,T1次级的氖灯的亮度指示轨道的接触损失。R6限制振荡器只有很小的振荡电压送到火车的控制端。
  7.电机速度控制及稳定
  电机速度稳定器,意味着控制电路的电压和电机的负载尽管在很大的范围内变化,电机的转速也能稳定不变。图18是一种简便的电机速度控制器和稳速电路。这个电路的特点是:不管电压和温度怎样变,加在电机上的电压都恒定不变,所以速度稳定。
  电路中317K为三端可调稳压器,当加上适当的散热器时,输出电流可达1.5A,并且317K稳压集成电路内具有短路和过载保护。对于图中的元件标值,输入电压从1.25V~13.75V变化。为了确保电压的稳定,输入电压至少要比要求的输出电压大3V以上。

  图19所示电路为通用电机稳速器电路。这种电路应用范围很广。例如盒式录音机。它能自动补偿电池电压和电机负载的变化。
  电机的电流受串联晶体管Ql的控制,而Q1的电流又受晶体管Q2的控制。如果电机的额定电压为6V,其他元件如图中标值,可获得100mA的电机电流。值得一提的是:Q2发射极的电压比电机电压低1.2v左右。D1、D2、和R3上面的电压之和等于电机上的电压。Q2的基极偏压,取自Q1的集电极。由R4、RV1和R5分压提供。
  由于某种因素电源电压下降,有使电机电压减小的趋势。这将引起Q2发射极电压的降低Q2基极电压也跟着降低,这又会引起Q2和Q1的集电极电流减小,其结果导致Q1集电极电位上升,这就自动补偿电源电压的降低。达到了稳速的目的。如果电源电压上升,原理与上述相同,不过变化方向相反而已。
  D1和D2二极管起温度补偿作用。电机速度控制可由RV1调节。

  高性能可变速度稳定器电路如图20所示。它可用作宽范围速度可变的场合,例如12V微型电钻。
  图中电机的电源是经过317K三端稳压器集成电路输出。电机的电流经R5和RV2取样,把部份电压送到IC2和Q1组成的同相直流放大器。Q1发射极电压正比于电机负载电流。
  317K稳压器的输入电压,通常为1.25~13.75V。在电路中,三端稳压器的输出电压等于本身的输出电压再加上Q1发射极上的电压。因此,当电机负载增加时,电路输出电压将自动上升,增加电机的驱动能力,保持电机速度不变。为了保持有负载与无负载时,电机的速度相同。首先调节RVl使电机的转速为最大转速的三分之一。然后调节RV2到额定转速。

  两相(交流)电机有时用作精密唱机的转盘。它是一种低电压型的同步机构。
  图21为两相电机驱动器电路。这个电路能驱动8欧两相电机。每个绕组可达3瓦。频率在45Hz到65Hz。集成电路选用LM377双路3瓦音频功率放大器作驱动。电源用正负11V。

  电路工作原理。集成电路的左半部分接成文氏桥振荡器,频率可调由RV1调节,频率可变范围45Hz—65Hz。振幅调节由RV2控制,灯泡LP1作稳定振幅用。IC1a的输出一路直接馈送电机的一相绕组。集成电路的另一半IC1b是作为85移相器用。C6、R6是85移相器。但是在60HZ时要乘以一个十倍的衰减因子,所以IC1b要乘以十倍的增益。电路稳定性经去耦网络C3—R4—R5,C4和C5保证。电机绕组与C8、C9所组成的谐振回路,调谐到中间频率值(55Hz)。

伺服电机是一种传统的电机。它是自动装置的执行元件。伺服电机的最大特点是可控。在有控制信号时,伺服电机就转动,且转速大小正比于控制电压的大小。去掉控制电压后,伺服电机就立即停止转动。伺服电机的应用甚广,几乎所有的自动控制系统都需要用到。在家电产品中,例如录相机、激光唱机等都是不可缺少的重要组成部分。
  1.简单伺服电机的工作原理

  图22示出了伺服电机的最简单的应用。电位器RV1由伺服电机带动。电机可选用电流不超过700mA,电压为12~24V的任一种伺服电机。图中RV1和RV2是接成惠斯登(Wheatstone)电桥。集成电路LM378是双路4瓦功率放大器,也以桥接方式构成电机驱动差分放大器。
当RV2的任意变化,都将破坏电桥的平衡,使RV1—RV2之间产生一差分电压,并且加以放大后送至电机。电机将转动,拖动电位器RV1到新的位置,使电桥重新达到新的平衡。所以说,RV1是跟踪了RV2的运动。

  图23是用方块图形式,画出了测速传感器伺服电机系统,能用作唱机转盘精密速度控制的原理图。电机用传统的皮带机构驱动转盘。转盘的边缘,用等间隔反射条文图形结构。用光电测速计进行监视和检测。光电测速计的输出信号正比于转盘的转速。把光电测速计输出信号的相位和频率,与标准振荡器的相位和频率进行比较,用它的误差信号控制电机驱动电路。因此,转盘的转速就精确地保持在额定转速上。额定转速的换档,可由操作开关控制。这些控制电路,已有厂家做成专用的集成电路。

  2.数字比例伺服电机

  伺服电机的最好类型之一,是用数字比例遥控系统。实际上这些装置是由三部份组成:采用集成电路、伺服电机、减速齿轮盒电位器机构。图24是这种系统的方块图。电路的驱动输入,是用周期为15ms而脉冲宽度为1~2ms的脉冲信号驱动。输入脉冲的宽度,控制伺服机械输出的位置。例如:1ms脉宽,位置在最左边;1.5ms在中是位置,2ms在最右边的位置。
  每一个输入脉冲分三路同时传送。一路触发1.5ms脉宽的固定脉冲发生器。一路输入触发脉冲发生器,第三路送入脉宽比较电路。用齿轮盒输出至RV1,控制可变宽度的脉冲发生器。这三种脉冲同时送到脉宽比较器后,一路确定电机驱动电路的方向。另一路送给脉宽扩展器,以控制伺服电机的速度,使得RV1迅速驱动机械位置输出跟随输入脉宽的任何变化。
  上述伺服电机型常用于多路遥控系统。图25示出了四路数字比例控制系统的波形图。

  从图中可以看出是串行数据输入,经过译码器分出各路的控制信号。每一帧包含4ms的同步脉冲,紧接在后面的是四路可变宽度(1~2ms)顺序的“路”脉冲。译码器将四路脉冲变换为并行形式,就能用于控制伺服电机。

  3.数字伺服电机电路
  数字伺服电机控制单元,可以买到现成的集成电路。例如ZN409CE或NE544N型伺服电机放大器集成电路。图26和图27示出了这两种集成电路的典型应用。


  图中元件值适用于输入脉冲宽度为1~2ms,帧脉冲宽度大约为18ms的情况。
  图28是适用上述伺服电机型的通用测试电路。伺服电源电池通常为5V。输入脉冲经标准的伺服插座送到伺服电路。帧脉冲的宽度为13—28ms;用RV1调节控制。RV2调节控制脉冲宽度在1—2ms之间。用RV4微调中间值为1.5ms.输出电平由RV3进行调节。

  两个集成电路为时基电路CMOS7555型,电源电压可以低到3V仍然工作。IC1为无稳多谐振荡器,产生帧时间脉冲,它的输出触发IC2。而IC2是一个单稳电路,产生输出测试脉冲。

1、 本站不保证以上观点正确,就算是本站原创作品,本站也不保证内容正确。
2、如果您拥有本文版权,并且不想在本站转载,请书面通知本站立即删除并且向您公开道歉! 以上可能是本站收集或者转载的文章,本站可能没有文章中的元件或产品,如果您需要类似的商品请 点这里查看商品列表!
本站协议 | 版权信息 |  关于我们 |  本站地图 |  营业执照 |  发票说明 |  付款方式 |  联系方式
深圳市宝安区西乡五壹电子商行——粤ICP备16073394号-1;地址:深圳西乡河西四坊183号;邮编:518102
E-mail:51dz$163.com($改为@);Tel:(0755)27947428
工作时间:9:30-12:00和13:30-17:30和18:30-20:30,无人接听时可以再打手机13537585389