注意:访问本站需要Cookie和JavaScript支持!请设置您的浏览器! 打开购物车 查看留言付款方式联系我们
初中电子 单片机教材一 单片机教材二
搜索上次看见的商品或文章:
商品名、介绍 文章名、内容
首页 电子入门 学单片机 免费资源 下载中心 商品列表 象棋在线 在线绘图 加盟五一 加入收藏 设为首页
本站推荐:
11. 00-59秒计时器(利用软件延时)
文章长度[] 加入时间[2008/5/30] 更新时间[2026/5/19 1:29:23] 级别[0] [评论] [收藏]
 
1.  实验任务
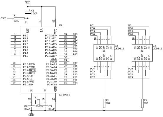
  如下图所示,在AT89S51单片机的P0和P2端口分别接有两个共阴数码管,P0口驱动显示秒时间的十位,而P2口驱动显示秒时间的个位。
2.  电路原理图
图4.11.1
3.  系统板上硬件连线
(1.       把“单片机系统”区域中的P0.0/AD0-P0.7/AD7端口用8芯排线连接到“四路静态数码显示模块”区域中的任一个a-h端口上;要求:P0.0/AD0对应着a,P0.1/AD1对应着b,……,P0.7/AD7对应着h。
(2.       把“单片机系统”区域中的P2.0/A8-P2.7/A15端口用8芯排线连接到“四路静态数码显示模块”区域中的任一个a-h端口上;要求:P2.0/A8对应着a,P2.1/A9对应着b,……,P2.7/A15对应着h。
4.  程序设计内容
(1.       在设计过程中我们用一个存储单元作为秒计数单元,当一秒钟到来时,就让秒计数单元加1,当秒计数达到60时,就自动返回到0,从新秒计数。
(2.       对于秒计数单元中的数据要把它十位数和个数分开,方法仍采用对10整除和对10求余。
(3.       在数码上显示,仍通过查表的方式完成。
(4.       一秒时间的产生在这里我们采用软件精确延时的方法来完成,经过精确计算得到1秒时间为1.002秒。
DELY1S:        MOV R5,#100
D2:                MOV R6,#20
D1:                MOV R7,#248
                     DJNZ R7,$
                     DJNZ R6,D1
                     DJNZ R5,D2
                     RET
5.  程序框图
图4.11.2
6.  汇编源程序
Second                 EQU 30H
                            ORG 0
START:               MOV Second,#00H
NEXT:                MOV A,Second
                           MOV B,#10
                            DIV AB
                            MOV DPTR,#TABLE
                           MOVC A,@A+DPTR
                            MOV P0,A
                            MOV A,B
                           MOVC A,@A+DPTR
                            MOV P2,A
                            LCALL DELY1S
                           INC Second
                            MOV A,Second
                            CJNE A,#60,NEXT
                           LJMP START
DELY1S:             MOV R5,#100
D2:                      MOV R6,#20
D1:                     MOV R7,#248
                            DJNZ R7,$
                            DJNZ R6,D1
                           DJNZ R5,D2
                            RET
TABLE:              DB 3FH,06H,5BH,4FH,66H,6DH,7DH,07H,7FH,6FH
                            END
7.  C语言源程序
#include <AT89X51.H>
unsigned char code table[]={0x3f,0x06,0x5b,0x4f,0x66,
                            0x6d,0x7d,0x07,0x7f,0x6f};
unsigned char Second;
void delay1s(void)
{
  unsigned char i,j,k;
  for(k=100;k>0;k--)
  for(i=20;i>0;i--)
  for(j=248;j>0;j--);
}
void main(void)
{
  Second=0;
  P0=table[Second/10];
  P2=table[Second%10];
  while(1)
    {
      delay1s();
      Second++;
      if(Second==60)
        {
          Second=0;
        }
      P0=table[Second/10];
      P2=table[Second%10];
    }
}
1、 本站不保证以上观点正确,就算是本站原创作品,本站也不保证内容正确。
2、如果您拥有本文版权,并且不想在本站转载,请书面通知本站立即删除并且向您公开道歉! 以上可能是本站收集或者转载的文章,本站可能没有文章中的元件或产品,如果您需要类似的商品请 点这里查看商品列表!
本站协议 | 版权信息 |  关于我们 |  本站地图 |  营业执照 |  发票说明 |  付款方式 |  联系方式
深圳市宝安区西乡五壹电子商行——粤ICP备16073394号-1;地址:深圳西乡河西四坊183号;邮编:518102
E-mail:51dz$163.com($改为@);Tel:(0755)27947428
工作时间:9:30-12:00和13:30-17:30和18:30-20:30,无人接听时可以再打手机13537585389