注意:访问本站需要Cookie和JavaScript支持!请设置您的浏览器! 打开购物车 查看留言付款方式联系我们
初中电子 单片机教材一 单片机教材二
搜索上次看见的商品或文章:
商品名、介绍 文章名、内容
首页 电子入门 学单片机 免费资源 下载中心 商品列表 象棋在线 在线绘图 加盟五一 加入收藏 设为首页
本站推荐:
20. 数字钟﹝★﹞
文章长度[] 加入时间[2008/5/30] 更新时间[2026/5/17 9:51:08] 级别[0] [评论] [收藏]
 
1. 实验任务
(1.       开机时,显示12:00:00的时间开始计时;
(2.       P0.0/AD0控制“秒”的调整,每按一次加1秒;
(3.       P0.1/AD1控制“分”的调整,每按一次加1分;
(4.       P0.2/AD2控制“时”的调整,每按一次加1个小时;
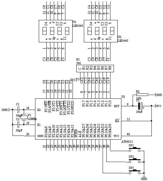
2. 电路原理图
图4.20.1
3. 系统板上硬件连线
(1.       把“单片机系统”区域中的P1.0-P1.7端口用8芯排线连接到“动态数码显示”区域中的A-H端口上;
(2.       把“单片机系统:区域中的P3.0-P3.7端口用8芯排线连接到“动态数码显示”区域中的S1-S8端口上;
(3.       把“单片机系统”区域中的P0.0/AD0、P0.1/AD1、P0.2/AD2端口分别用导线连接到“独立式键盘”区域中的SP3、SP2、SP1端口上;
4. 相关基本知识
(1.       动态数码显示的方法
(2.       独立式按键识别过程
(3.       “时”,“分”,“秒”数据送出显示处理方法
5. 程序框图
6. 汇编源程序
SECOND          EQU 30H
MINITE                     EQU 31H
HOUR            EQU 32H
HOURK          BIT P0.0
MINITEK         BIT P0.1
SECONDK        BIT P0.2
DISPBUF                    EQU 40H
DISPBIT            EQU 48H
T2SCNTA          EQU 49H
T2SCNTB         EQU 4AH
TEMP                      EQU 4BH
        ORG 00H
        LJMP START
        ORG 0BH
        LJMP INT_T0
START:  MOV SECOND,#00H
        MOV MINITE,#00H
        MOV HOUR,#12
        MOV DISPBIT,#00H
        MOV T2SCNTA,#00H
        MOV T2SCNTB,#00H
        MOV TEMP,#0FEH
        LCALL DISP
        MOV TMOD,#01H
        MOV TH0,#(65536-2000) / 256
        MOV TL0,#(65536-2000) MOD 256
        SETB TR0
        SETB ET0
        SETB EA
WT:     JB SECONDK,NK1
        LCALL DELY10MS
        JB SECONDK,NK1
        INC SECOND
        MOV A,SECOND
        CJNE A,#60,NS60
        MOV SECOND,#00H
NS60:   LCALL DISP
        JNB SECONDK,$
NK1:    JB MINITEK,NK2
        LCALL DELY10MS
        JB MINITEK,NK2
        INC MINITE
        MOV A,MINITE
        CJNE A,#60,NM60
        MOV MINITE,#00H
NM60:   LCALL DISP
        JNB MINITEK,$
NK2:    JB HOURK,NK3
        LCALL DELY10MS
        JB HOURK,NK3
        INC HOUR
        MOV A,HOUR
        CJNE A,#24,NH24
        MOV HOUR,#00H
NH24:   LCALL DISP
        JNB HOURK,$
NK3:    LJMP WT
DELY10MS:
        MOV R6,#10
D1:     MOV R7,#248
        DJNZ R7,$
        DJNZ R6,D1
        RET
DISP:  
        MOV A,#DISPBUF
        ADD A,#8
        DEC A
        MOV R1,A
        MOV A,HOUR
        MOV B,#10
        DIV AB
        MOV @R1,A
        DEC R1
        MOV A,B
        MOV @R1,A
        DEC R1
        MOV A,#10
        MOV@R1,A
        DEC R1
        MOV A,MINITE
        MOV B,#10
        DIV AB
        MOV @R1,A
        DEC R1
        MOV A,B
        MOV @R1,A
        DEC R1
        MOV A,#10
        MOV@R1,A
        DEC R1
        MOV A,SECOND
        MOV B,#10
        DIV AB
        MOV @R1,A
        DEC R1
        MOV A,B
        MOV @R1,A
        DEC R1
        RET
INT_T0:
        MOV TH0,#(65536-2000) / 256
        MOV TL0,#(65536-2000) MOD 256
        MOV A,#DISPBUF
        ADD A,DISPBIT
        MOV R0,A
        MOV A,@R0
        MOV DPTR,#TABLE
        MOVC A,@A+DPTR
        MOV P1,A
        MOV A,DISPBIT
        MOV DPTR,#TAB
        MOVC A,@A+DPTR
        MOV P3,A
        INC DISPBIT
        MOV A,DISPBIT
        CJNE A,#08H,KNA
        MOV DISPBIT,#00H
KNA:    INC T2SCNTA
        MOV A,T2SCNTA
        CJNE A,#100,DONE
        MOV T2SCNTA,#00H
        INC T2SCNTB
        MOV A,T2SCNTB
        CJNE A,#05H,DONE
        MOV T2SCNTB,#00H
        INC SECOND
        MOV A,SECOND
        CJNE A,#60,NEXT
        MOV SECOND,#00H
        INC MINITE
        MOV A,MINITE
        CJNE A,#60,NEXT
        MOV MINITE,#00H
        INC HOUR
        MOV A,HOUR
        CJNE A,#24,NEXT
        MOV HOUR,#00H
NEXT:   LCALL DISP
DONE:   RETI
TABLE:  DB 3FH,06H,5BH,4FH,66H,6DH,7DH,07H,7FH,6FH,40H
TAB:    DB 0FEH,0FDH,0FBH,0F7H,0EFH,0DFH,0BFH,07FH
        END
7. C语言源程序
#include <AT89X51.H>
unsigned char code dispcode[]={0x3f,0x06,0x5b,0x4f,
                               0x66,0x6d,0x7d,0x07,
                               0x7f,0x6f,0x77,0x7c,
                               0x39,0x5e,0x79,0x71,0x00};
unsigned char dispbitcode[]={0xfe,0xfd,0xfb,0xf7,
                             0xef,0xdf,0xbf,0x7f};
unsigned char dispbuf[8]={0,0,16,0,0,16,0,0};
unsigned char dispbitcnt;
unsigned char second;
unsigned char minite;
unsigned char hour;
unsigned int tcnt;
unsigned char mstcnt;
unsigned char i,j;
void main(void)
{
  TMOD=0x02;
  TH0=0x06;
  TL0=0x06;
  TR0=1;
  ET0=1;
  EA=1;
  while(1)
    {
      if(P0_0==0)
        {
          for(i=5;i>0;i--)
          for(j=248;j>0;j--);
          if(P0_0==0)
            {
              second++;
              if(second==60)
                {
                  second=0;
                }
              dispbuf[0]=second%10;
              dispbuf[1]=second/10;
              while(P0_0==0);
            }
        }
      if(P0_1==0)
        {
          for(i=5;i>0;i--)
          for(j=248;j>0;j--);
          if(P0_1==0)
            {
              minite++;
              if(minite==60)
                {
                  minite=0;
                }
              dispbuf[3]=minite%10;
              dispbuf[4]=minite/10;
              while(P0_1==0);
            }
        }
      if(P0_2==0)
        {
          for(i=5;i>0;i--)
          for(j=248;j>0;j--);
          if(P0_2==0)
            {
              hour++;
              if(hour==24)
                {
                  hour=0;
                }
              dispbuf[6]=hour%10;
              dispbuf[7]=hour/10;
              while(P0_2==0);
            }
        }
    }
}
void t0(void) interrupt 1 using 0
{
  mstcnt++;
  if(mstcnt==8)
    {
      mstcnt=0;
      P1=dispcode[dispbuf[dispbitcnt]];
      P3=dispbitcode[dispbitcnt];
      dispbitcnt++;
      if(dispbitcnt==8)
        {
          dispbitcnt=0;
        }
    }
  tcnt++;
  if(tcnt==4000)
    {
      tcnt=0;
      second++;
      if(second==60)
        {
          second=0;
          minite++;
          if(minite==60)
            {
              minite=0;
              hour++;
              if(hour==24)
                {
                  hour=0;
                }
            }
        }
      dispbuf[0]=second%10;
      dispbuf[1]=second/10;
      dispbuf[3]=minite%10;
      dispbuf[4]=minite/10;
      dispbuf[6]=hour%10;
      dispbuf[7]=hour/10;
    }
}
1、 本站不保证以上观点正确,就算是本站原创作品,本站也不保证内容正确。
2、如果您拥有本文版权,并且不想在本站转载,请书面通知本站立即删除并且向您公开道歉! 以上可能是本站收集或者转载的文章,本站可能没有文章中的元件或产品,如果您需要类似的商品请 点这里查看商品列表!
本站协议 | 版权信息 |  关于我们 |  本站地图 |  营业执照 |  发票说明 |  付款方式 |  联系方式
深圳市宝安区西乡五壹电子商行——粤ICP备16073394号-1;地址:深圳西乡河西四坊183号;邮编:518102
E-mail:51dz$163.com($改为@);Tel:(0755)27947428
工作时间:9:30-12:00和13:30-17:30和18:30-20:30,无人接听时可以再打手机13537585389